卡车之家 来卡车之家App
及时获取
最新卡车资讯
你好, 网站地图
卡车之家,商用车互动服务平台 全国
选择地区
全国 北京 河北 江苏 浙江 山东 河南 广东 上海 四川 重庆 山西
扫码下载APP

微信扫一扫下载详情

关注微信

微信扫一扫关注详情

轻卡 重卡 微车 牵引车 载货车 自卸车 皮卡 挂车 专用车 总成/配件 电动车
卡车之家
您的当前位置:首页 > 评测与技术 > 技术分析

HW18710系列变速器 使用说明及备件图册

    HW18710变速器是重汽集团公司在数十年技术沉淀的基础上,精心打造的新一代重型汽车专用变速器,该变速器重汽集团公司拥有完全自主知识产权。变速器结构在国内外独树一帜,主箱采用双副轴结构,副箱采用行星减速结构,使承载能力更强,结构可靠。集成的小盖设计使挡位清晰、换挡灵活。

HW18710系列变速器 使用说明及备件图册

    目前该变速器适用于功率范围在336~420马力之间的重型车用发动机,是目前中国重汽重型卡车的首选变速器。

●  警告

    为避免个人损伤或造成设备故障和损坏,请按指定程序操作变速器:

    在车辆起动前,驾驶员应坐在驾驶员座位上,将变速杆置于空挡,并使用手刹车;在车辆进行工作之前或发动机运转时离开驾驶室,应将变速杆置于空挡,并使用手刹车锁死车轮;当停放车辆或离开驾驶室时,应将变速杆置于空挡并使用手刹车。

    在车辆气压没有升至正确水平情况下千万不要释放手刹车进行换挡操作; 变速器处于空挡位置时千万不要长距离滑行;取力器操纵时,按下取力开关后,应立即将离合器踏板踩到底,稍等片刻,取力器正常工作后再松开。

●  HW18710系列变速器主要性能参数

HW18710系列变速器 使用说明及备件图册

    注:1、质量中不包括润滑油和离合器分离装置;2、所指长度为离合器前止口端面到输出法兰端面;3、括号内加油量为加装取力器时的油量。

●  编号规则

HW18710系列变速器 使用说明及备件图册

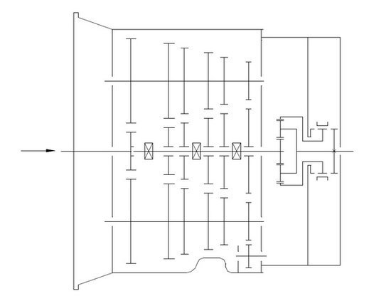
●  HW18710变速器总成主截面图(见图1):

HW18710系列变速器 使用说明及备件图册

●  HW18710变速器外部连接尺寸图(见图2):

HW18710系列变速器 使用说明及备件图册

●  HW18710系列变速器动力传递

    参考动力传递线路图(见图3):

HW18710系列变速器 使用说明及备件图册

HW18710系列变速器 使用说明及备件图册

    HW18710变速器各档位的动力传递路线如上图所示。

文章标签:
12345...7下一页阅读全文
提示:支持键盘"← →"键翻页
条网友评论

下一篇

2009上半年快递量约8.3亿件 同增18.9%

2009年上半年,邮政企业和全国规模以上快递企业业务收入(不包括邮政储蓄银行直接营业收入)累计完成527.2亿元,同比增长11.5%;业务总量累计完成768... 2009年07月25日
我要评论 意见反馈