卡车之家 来卡车之家App
及时获取
最新卡车资讯
你好, 网站地图
卡车之家,商用车互动服务平台 全国
选择地区
全国 北京 河北 江苏 浙江 山东 河南 广东 上海 四川 重庆 山西
扫码下载APP

微信扫一扫下载详情

关注微信

微信扫一扫关注详情

轻卡 重卡 微车 牵引车 载货车 自卸车 皮卡 挂车 专用车 总成/配件 电动车
卡车之家
您的当前位置:首页 > 政策法规 > 税费政策

河南高速收费标准 ETC通行抹零头还打折

卡车之家
外貌協會的會長

做一个帅气的卡友很累,这点我真的深有体会。

5月6日零时起,全国收费公路恢复收费。日前,河南省组织相关单位进一步优化了收费车道、ETC门架等系统功能,对相关系统进行了升级,并完成实车测试工作。收费系统升级后,与过去比有什么改进和提升的地方?部分ETC用户反映的错误计费、重复计费、计费时间错误、一次通行多次扣费等问题是否已解决?笔者对此进行了实地探访。

河南高速收费标准 ETC通行抹零头还打折

“四个一”减少付费环节

“蓝豫EYPXXX,收费20.90元,欢迎通行高速公路。”5月6日上午,从河南园博园站上站的车主苏先生在郑州新区站通行ETC车道下站时,从屏幕上清楚地看到扣费情况。

据了解,针对之前车辆通行ETC出口车道时,信息显示屏不显示全程通行费额的情况,交通运输主管部门和高速公路经营管理单位组织开展了ETC“费显”工程。目前,高速公路入口和出口处的收费信息显示屏都进行了升级换新,屏幕更大了,显示信息更加全面。车辆出站时,车道显示屏上将准确显示当次行程的全部通行费用,不会再出现多计多扣、分次扣费、漏收补扣、无显示或系统日期错误等现象。

“系统升级后的最大变化是,实现了ETC车辆‘一次行程、一个账单、一次扣费、一次告知’。”河南省高速公路联网公司副总经理刘皓说,ETC门架只承担分段计费并进行累加,最后一次总扣费,出口车道显示屏上显示的费额便是通行总费用。这样,减少了繁琐的付费环节,实现了明白消费、透明收费。

河南高速收费标准 ETC通行抹零头还打折

河南高速收费标准 ETC通行抹零头还打折

河南高速收费标准 ETC通行抹零头还打折

河南高速收费标准 ETC通行抹零头还打折

河南高速收费标准 ETC通行抹零头还打折

河南高速收费标准 ETC通行抹零头还打折

河南高速收费标准 ETC通行抹零头还打折

河南高速收费标准 ETC通行抹零头还打折

河南高速收费标准 ETC通行抹零头还打折

河南高速收费标准 ETC通行抹零头还打折

河南高速收费标准 ETC通行抹零头还打折

河南高速收费标准 ETC通行抹零头还打折

河南高速收费标准 ETC通行抹零头还打折

通行“四舍五不入”再打折

据介绍,按照交通运输部统一部署,河南省已优化调整ETC通行费计费原则,高速公路通行费进一步降低。从5月6日起,ETC车辆的通行费金额按照“四舍五不入”再打折的方式收费,即收费金额尾数小于0.5元的部分舍去,大于0.5元的部分不入位,车辆走ETC通道会更优惠。

“取消高速公路省界收费站,不涉及客车计费方式、计费标准的调整工作,客车应交的通行费金额总体看也不会发生变化。但目前出现的部分客车实交通行费金额发生一些小变化,主要是由于计费精度提高造成的。”刘皓说。

取消省界收费站前,通行费收费大多按照5元的倍数取整。取消省界收费站后,人工收费精确到“元”,ETC收费精确到“分”。例如某段路行驶19公里和21公里的应交通行费分别为9.5元和10.5元。以前取整后的实交金额均为10元,使用ETC打95折后为9.5元;取消省界收费站后实交金额分别为9.5元和10.5元,使用ETC打95折后分别为9.03元和9.98元;实交金额比之前有升也有降,体现了“多用路者多付费,少用路者少付费”的公平原则。

货车“入口称重”总费额不增加

“全网系统调整后,以‘ETC驶入’作为通行费打折依据,货车在此基础上享受差异化优惠政策。当通行车辆使用ETC通过ETC车道进入高速公路,标签和卡内有入口信息的,出口收费站转人工处理时仍可享受5%通行费优惠。”河南省交通运输厅有关负责人说。

取消省界收费站后,车长6米以下的8座和9座小型客车,统一由二类下调为一类,通行费有较大幅度下降。

使用ETC储值卡的用户也要注意,车辆驶入高速入口时,系统会自动检测卡内余额,并进行自动抬杆。如卡内余额不足,ETC系统无法进行自动抬杆操作,影响通行效率。

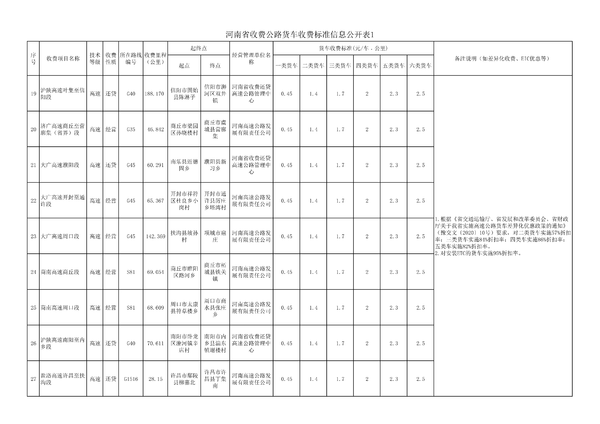
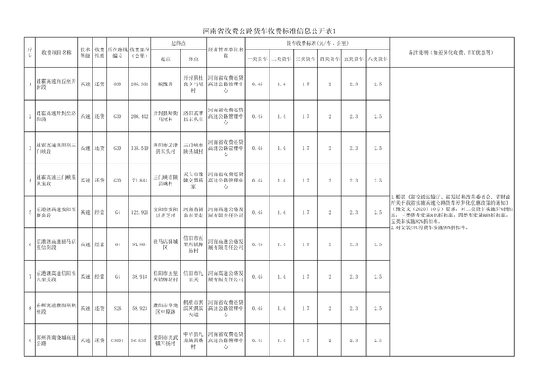
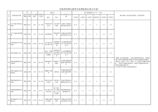
货车取消“计重收费”模式,实行“入口治超”,超限超载车辆无法驶入高速公路。货车调整为按车(轴)型收费,涉及收费标准的调整,但总费额不增加。据统计,通过新一轮收费标准调整,各地高速公路货车通行费收费标准进一步下调。

条网友评论

下一篇

新疆调部分高速计费起点 走高速又省了

为进一步深化细化我区货车收费标准复核和优化调整工作,经自治区人民政府同意,自治区交通运输厅会同自治区发展改革委、财政厅制订了全区收费公路货... 2020年05月08日
我要评论 意见反馈