来卡车之家App
让卡车跑得更健康
数据流是我们判定故障的重要依据,但是在维修过程中,很多维修师傅不能对数据流进行有效分析,导致判定不准故障点。本期小轨就给大家带来一条“诡异”数据流,通过对该数据流的分析,可以让我们知道发动机为什么限扭?

从燃油燃烧的热能转化为曲轴的动能,到车轮旋转为整车提供动能,中间经历了多个环节,是多个系统共同作用的结果,只要其中一个系统发生异常,就有可能会导致整车动力不足,导致动力不足的原因如下:

从上图可知,导致动力不足的原因有很多,那么我们应该如何去判定动力不足的真正原因呢?
大多数我们在排查动力不足时,都会先去看故障码,或者依靠我们的经验去看对应的数据流是否正常,而对发动机是否真的被限扭,没有直观的判断。现在小轨就教给大家看一条数据流,通过这个数据流我们就能判定,发动机是否限扭,为什么被限扭,以及如何排查?
在该数据流中,我们可以看到数据流的值为12296,它代表扭矩限制被激活,只有当扭矩限制为0时,才代表发动机扭矩限制没有被激活。当我们想去看发动机扭矩为什么被激活时,必须将限扭数值转化为十六进制,转化如下:
注:对于十进制转化为十六进制,可以用百度上在线转化,转化后不足16位,需要在最前面进行补位。
下图为“扭矩限制”的数据流在标定工具中所对应的值;在标定工具中也是十六位,和我们所转化的位数是一一对应关系。

注:上图为十六进制,其中A代表为10,B为11,C为12,……,F为15,从0到F为16个位置,和数据流中转化的16个位置是一一对应的。
这个数据流里面含有16个bit位,每一个bit位都代表一个限扭模块。

注:每一个bit位被激活,即该bit位被置1
所有的这些模块都会计算出来一个扭矩值,这些扭矩值和当前最小的内部扭矩值进行比较,如果比当前最小的内部扭矩还要小,该模块被置1。
1、bit0——故障模块导致的限扭

当该bit0被激活时,说明有故障码报出,导致发动机限扭,解决故障码问题。
2、bit1——差动保护的限扭模块

当该模块被置位时,也会有对应的故障码报出,所以当bit1被激活时,主要排查所报出的故障码;但在国四、国五阶段该故障码很少被厂家标定出来,所以说该位置一般很少被置位。若被置位为1,一般会有故障码报出;若无故障码报出,此位置1,不用进行维修。
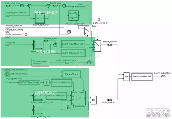
3、bit2——机械保护导致的限扭

该模块有一个开关变量,不同的厂家可以根据需要,自行标定开关变量。Bit2的限扭模块包括:扭矩过载保护、扭矩限制修正、过高转速保护。当该模块被置1时,主要的可能性有:
● 发动机转速过高
● 大气压力传感器数据异常
● 喷油器异常
● 转速传感器异常
4、bit3——烟度限制导致限扭

当动力不足,且该模块被激活,bit3被置1时,此时主要的排查方向为:

5、bit4——未使用(厂家自定义)
厂家自定义bit位,被置位时,可以不用去维修。
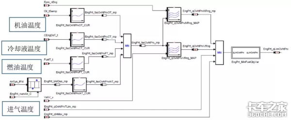
6、bit5——防止发动机过热的保护性限扭
发动机过热保护受水温,机油温度,燃油温度和进气温度的限制,并取其中限制强度最大(限制因子最小)作为保护条件。下图为控制逻辑图。

机油温度、燃油温度、冷却液温度和进气温度都有对应的修正曲线,当修正值为1时,说明可以正常喷油,没有受到限制;当修正值小于1时,说明喷油量受到限制,当修正值为0时,喷油量也为0,发动机停机。
下图为进气温度修正曲线,当进气温度高于50℃时,喷油器的喷油量开始受到轻微限制,高于60℃时,喷油量受到严重限制,开始出现动力不足现象,当进气温度高于110℃时,喷油器的喷油量为0,发动机停机。
所以说对于进气温度传感器,一般也不会报出温度过高或温度过低的故障,但是当进气温度传感器温度过高时,对发动机的动力是有影响的。
下图为机油温度传感器修正曲线,该曲线为一条直线,且修正系数为1,说明机油温度的高低,在高温保护模块下,对喷油量是没有影响的。
下图为冷却水温传感器修正曲线,该曲线在水温高于96℃后,修正系数开始低于1,说明开始限制喷油器喷油量;当温度高于115℃是,修正系数为0,说明温度高于115℃时,喷油量会减少到0,发动机停机。
下图为燃油温度传感器修正曲线,该曲线为一条直线,且修正系数为1,说明燃油温度的高低,在高温保护模块下,对燃油没有修正。
对于不同的厂家其控制逻辑个不相同,汽车的车速、排温和增压器起动保护也会在该模块下限扭。
7、bit6——动力传输模块的限扭

在正常情况下,动力传输模块的最大允许扭矩设定值为50000Nm;很多厂家在标定时,将故障后的曲线设置成直线(50000Nm)。

在这种情况下,bit6不会被置1。在大多数厂家的标定下,bit6是不会被置位的。
8、bit7——最大变速箱模块输入限扭导致限扭

该模块是扭矩传输的一环,在维修中较少用到,置1时,可以忽略不计。
9、bit8——喷射质量导致限扭

该模块的扭矩限制是和排放温度相关,很多厂家被没有使用相关限扭,若该位置被置1,主要排查排气温度是否过高。
10、bit9——高压系统模块导致的限扭

扭矩限制被调用时,bit9位置被置1,此问题一般是指高压泵、喷油器老化所致,一般检查高压油路系统。
11、bit10——转速限制导致的限扭
bit10和bit2同属于一个模块,且bit10属于bit2的一个子模块;当bit10被置1时,bit2一定也会被置1;但当bit2被置1时,bit10不一定为1。

该模块一般是由于转速过高导致的,一般厂家未将此故障模块标出,所以说该位置一般不会被置为1,所以此位置在维修中可以忽略。
12、bit11——防止发动机过载的限扭
bit11和bit2同属于一个模块,且bit11属于bit2的一个子模块;当bit11被置1时,bit2一定也会被置1;但当bit2被置1时,bit11不一定为1。

当该位置被置1时,主要排查以下方面:
● 大气压力传感器数据异常
● 喷油器异常
● 转速传感器异常
13、bit12——低转速下的烟度限制
bit12可以认定为bit3(烟度限制)的一个内部模块,当bit12被置位时,bit3也会被置位,但是当bit3被置位时,bit12不一定会被置位。
当bit12被置1时,主要检查的方向有:

14、bit13和bit14——内部协调输出扭矩模块

bit14和bit13所对应的模块并不是被单独计算的,而是由其他模块求最小值后转化而来的,以bit14为例,当bit5或bit2只要有一个被置位,就会导致bit14也被置位,当bit3、bit9、bit8和bit0中只要有一个被置位,bit13也会被置位。
所以说在维修中对于bit13和bit14被置位,一般不用维修,只需要看好对应位置即可,bit13和bit14一般只激活其中一位。
15、bit15——未被使用
通过以上讲解可知,当发动机动力不足时,我们可以根据此数据流提供的信息帮助判定那个模块导致的动力不足,简化了我们的维修流程,加快了我们的维修速度。 (文/卡车之家特约作者:共轨之家)

好事!国务院允许发动机总成等再制造
国务院总理李克强1月30日主持召开的国务院常务会议上,《报废机动车回收管理办法(修订草案)》(以下简称 《办法》)正式通过.该《办法》打破了此... 2019年01月31日